Новое поступление
Магазина LusyaTechnology Store работает с 18.03.2011. его рейтинг составлет 91.62 баллов из 100. В избранное добавили 11447 покупателя. Средний рейтинг торваров продавца 4.7 в продаже представленно 1282 наименований товаров, успешно доставлено 16934 заказов. 4546 покупателей оставили отзывы о продавце.
Характеристики
*Текущая стоимость уже могла изменится. Что бы узнать актуальную цену и проверить наличие товара, нажмите "Добавить в корзину"
| Месяц | Минимальная цена | Макс. стоимость | Цена |
|---|---|---|---|
| Mar-17-2026 | 0.58 руб. | 0.60 руб. | 0 руб. |
| Feb-17-2026 | 0.35 руб. | 0.85 руб. | 0 руб. |
| Jan-17-2026 | 0.26 руб. | 0.70 руб. | 0 руб. |
| Dec-17-2025 | 0.51 руб. | 0.26 руб. | 0 руб. |
| Nov-17-2025 | 0.79 руб. | 0.85 руб. | 0 руб. |
| Oct-17-2025 | 0.68 руб. | 0.78 руб. | 0 руб. |
| Sep-17-2025 | 0.79 руб. | 0.9 руб. | 0 руб. |
| Aug-17-2025 | 0.3 руб. | 0.72 руб. | 0 руб. |
| Jul-17-2025 | 0.62 руб. | 0.67 руб. | 0 руб. |
Описание товара















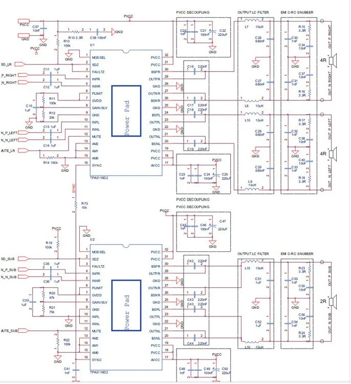
The amplifier board adopts two imported TPA3116D2 digital amplifier chip as the core,one piece as left and right channel power amplifier,other piece as pre-bridge briver with NE5532 subwoofer ,with a small ,high effeciency,high power characteristics.
Specifications:
Product name:2.1 channel audio amplifier
Chip Select:TPA3116D2*2
Supply voltage:Recommended DC24V (range 12-26V 3A)
Output power:80W*2(MAX)+100W*1 (Subwoofer)
Output Impedance:4-8 ohms
Frequency range:14-100Khz
SNR:100db
Number of channels:3 (left channel,right channel,subwoofer)
Switch frequency:1.2MHz
Size:100*70*30mm
1 x Digital Amplifier Board
4 x Screws

TPA3116 2.1 50W*2+100W






















Смотрите так же другие товары: